HOME
CONTACT US
ȸ»ç¼Ò°³
ȸ»ç·Î°í ¹× ¼³¸í
CEO Àλ縻
Á¶Á÷µµ
ƯÇ㺸À¯ÇöȲ
ã¾Æ¿À½Ã´Â ±æ
SHINKO
TOTAL ENGINEERING SYSTEM
ÃÊÀ½ÆÄ µå¶óÀÌ Å¬¸®³Ê(FILMéÄ)
ÃÊÀ½ÆÄ µå¶óÀÌ Å¬¸®³Ê(GLASSéÄ)
TENTER CLIP&CHAINS
Á¤Àü±â Á¦°ÅÀåÄ¡
FILM °¢Á¾ ROLL
±âŸ FILM °ü·Ã Á¦Ç°
MITSUBISHI
Á¦Ç° Ä«´Ù·Î±×
SYSTEM ±¸¼º
ÆÄ¿ì´õ Ŭ·¯Ä¡&ºê·¹ÀÌÅ©
Àå·Â ÄÁÆ®·Ñ·¯
Àå·Â °ËÃâ±â
Àå·Â ¹ÌÅÍ
ÀÚ·á½Ç
SHINKO
MITSUBISHI
°í°´¼¾ÅÍ
°øÁö»çÇ×
¹®ÀÇ ¹× ´äº¯
°ßÀûÀÇ·Ú
Home /
Subject
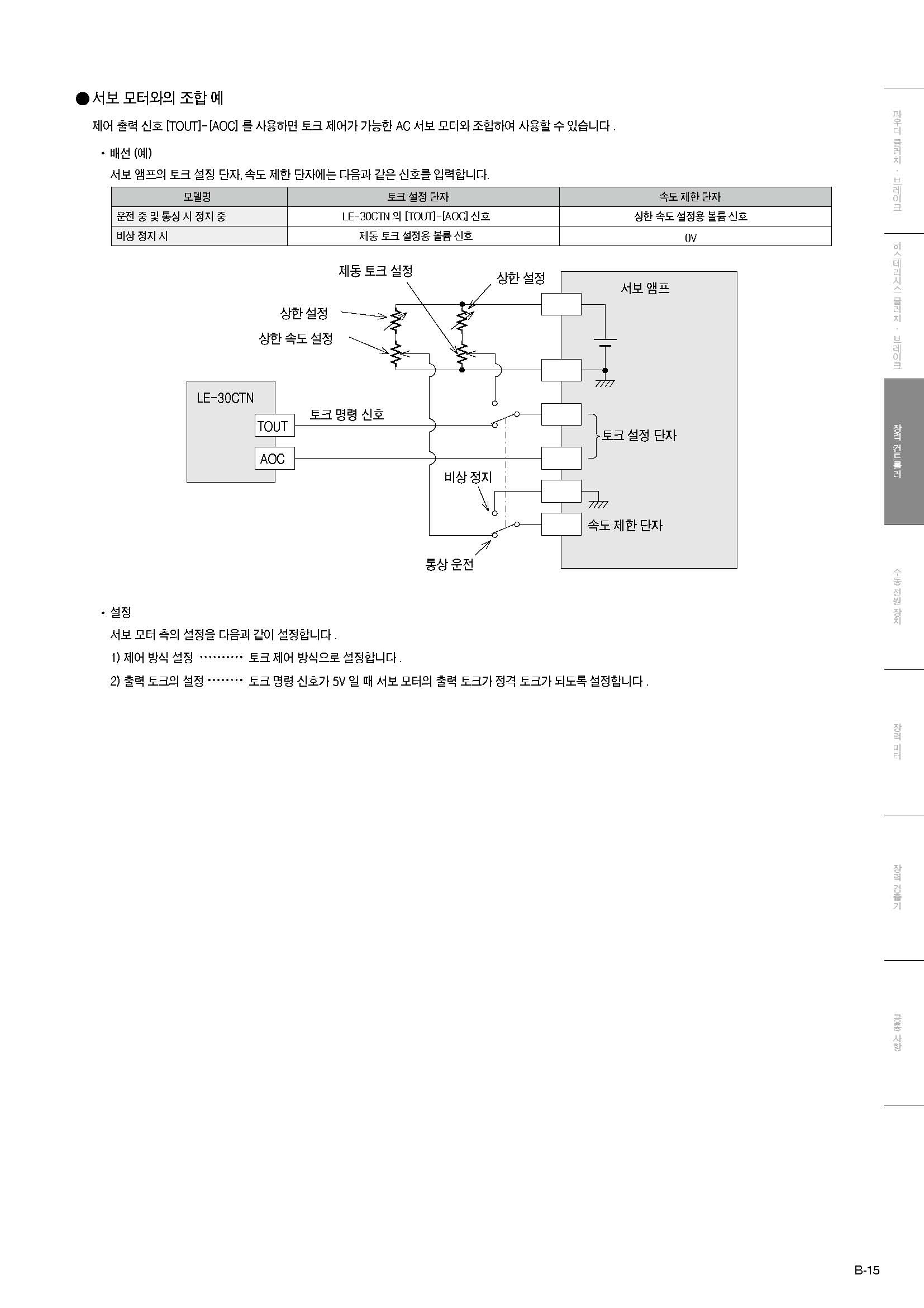
LE-30CTNÇü